24 Mar CAPERVA ENGINEERING : Alcance de nuestros Servicios de Ingeniería
En el Departamento de Ingeniería de CAPERVA contamos con la experiencia y know-how para llevar a cabo o dar apoyo en una amplia gama de actividades de ingeniería. Desde las etapas tempranas de proyecto como: diseño conceptual de procesos de producción de plantas industriales, selección de tecnologías y preparación de presupuestos, hasta las etapas finales como: evaluación de oferta y selección de proveedores, desarrollo de planos constructivos, gestión de proyecto y expedición e inspección final o Factory Acceptance Tests (FAT) de equipos y/o unidades paquetes.
Gracias a una larga trayectoria trabajando con suministradores de equipos líderes en sectores de la industria química, química fina, alimentaria y farmacéutica, CAPERVA ha acumulado extensos conocimientos en una variedad de procesos industriales que nos permite aportar soluciones óptimas siempre orientados a las prioridades del Cliente, respetando siempre las buenas prácticas de diseño y construcción de procesos y equipos. Para casos más demandantes técnicamente o procesos donde el Cliente no dispone de muchos datos o documentación actualizada sobre el proceso de producción, CAPERVA dispone del apoyo técnico de nuestras representadas, cuya experiencia y estándares de diseño, asegura que la solución o propuesta proporcionada sea la más efectiva y segura.
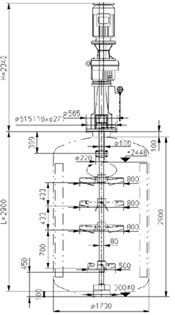
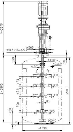
Adicionalmente, la estructura de CAPERVA nos permite ser flexibles y adaptarnos a las necesidades y el alcance que requiera el Cliente para su planta, proyecto, unidad o equipo específico, teniendo como ejemplo de casos reales el revamp o actualización de una línea de mezclado de agua con melaza, el diseño de una nueva unidad paquete para filtración de aceite térmico o el suministro de un nuevo diseño de agitador y la construcción de un reactor mezclador de mayor capacidad.
Entre nuestros últimos proyectos, CAPERVA ha supervisado el desarrollo de planos mecánicos, la construcción y acondicionamiento, la inspección y la entrega en plazo, de una columna de destilación y condensador de tope en acero inoxidable 316L, para una planta química en Suiza, y de dos condensadores en aleación (alloy) B3, para una planta química en la India.
Actuando como puente entre los medios y disponibilidad de nuestros proveedores, nuestros talleres de fabricación colaboradores y los estándares de construcción y timeline de nuestros Clientes, CAPERVA puede aportar propuestas y soluciones efectivas, óptimas y seguras dentro de los plazos y presupuestos requeridos en cualquier situación.






